联系我们 更多 +

咨询电话(Tel) 15107556228 邮箱:3199794724@qq.com
地址:深圳市宝安区新桥街道新二社区中心路与蚝乡路交汇处同方中心大厦1408

关注微信
添加即时沟通了解

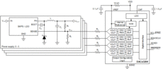
DAC63204智能DAC

具有 I2C、SPI 且在断电期间处于高阻态输出的 4 通道 12 位 VOUT 和 IOUT 智能 DAC

热线电话: 15107556228
  • 24小时客服
  • 正品保障
  • 快速发货
产品中心 在线留言 电话咨询